1-1/2" Deep Rib (6" OC; open end)

Forming | Formliner | Smooth Flute Patterns

Symons
1-1/2" Deep Rib (6" OC; open end) Formliner
Product Code Description {{vm.msrpHeading}} {{vm.userPriceHeading}} Sold In Quantity

1" Deep Rib (2" OC rib; open end)

Forming | Formliner | Smooth Flute Patterns

1/2" Sine Wave (2" OC wave)

Forming | Formliner | Smooth Flute Patterns

1/2" Deep Rib (1-1/4" OC; closed end)

Forming | Formliner | Smooth Flute Patterns

3/4" Deep Rib (2-1/2" OC; open end)

Forming | Formliner | Smooth Flute Patterns

3/4" Deep Rib (3" OC; closed end)

Forming | Formliner | Smooth Flute Patterns

1-1/2" Deep Rib (7" OC, open end, IDOT)

Forming | Formliner | Smooth Flute Patterns

Variable Depth Random Rustication

Forming | Formliner | Smooth Flute Patterns

1/4" Deep Rib (5/8" OC rib; open end)

Forming | Formliner | Smooth Flute Patterns

1/2" Deep Rib (1-1/2" OC rib; open end)

Forming | Formliner | Smooth Flute Patterns

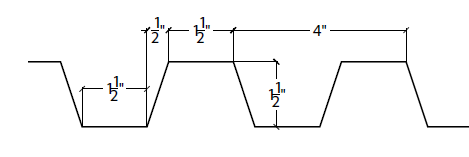
3/4" Deep Special Rib (4" OC rib; open end)

Forming | Formliner | Smooth Flute Patterns

While most of our site features are available using your current browser, some new features we think you’ll like, require a quick browser update to perform properly. Please consider downloading one of the browsers from the recommendations below. Doing so will provide you with the best user experience as you explore www.daytonsuperior.com.

Microsoft Edge
Google Chrome
Mozilla Firefox